Popis
Čerpadlá - veľkosť: 2
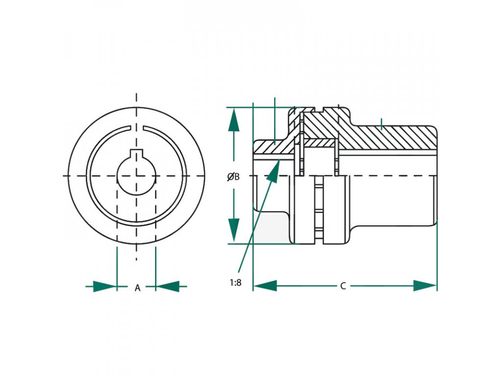
Kužeľ: 1:8
Kužeľ (mm): 23
Ø hriadeľa (mm): 25,40
Dĺžka hriadeľa (mm): 65
Typy: Honda: GX270, GX390 Loncin: G390FD
Motor-výrobca: Honda, Loncin
C (mm): 106
Motor (kW/HP): 5-13,5 / 7-18
Hmotnosť: 434 g

Buďte prvý, kto napíše príspevok k tejto položke.
Len registrovaní používatelia môžu pridávať príspevky. Prosím prihláste sa alebo sa zaregistrujte.
